コンテンツにスキップ

Capstone: Multi-Sensor Data Logger

Capstone: Multi-Sensor Data Logger hero image

このコンテンツはまだ日本語訳がありません。

Modified:
Published:

Every lesson in this course focused on one or two peripherals at a time. Real products never work that way. A commercial sensor node reads multiple sensors on a shared bus, logs data to storage, updates a display, streams wirelessly, and triggers alarms, all running concurrently on a single microcontroller. This capstone builds exactly that system. You will integrate the BME280 environmental sensor, SSD1306 OLED display, microSD card, HC-05 Bluetooth module, potentiometer, relay, buzzer, LEDs, and push buttons into one cohesive data logger with a state machine UI. #STM32 #Capstone #DataLogger

What We Are Building

Environmental Monitoring Station

A standalone data acquisition system that reads temperature, humidity, and pressure from a BME280 sensor every 100 ms. The OLED display updates every 500 ms showing live readings and alarm threshold. The system logs CSV data to an SD card every second and streams JSON over Bluetooth every 2 seconds. A potentiometer sets the temperature alarm threshold. When temperature exceeds the threshold, a relay activates and a buzzer sounds an alarm pattern. Two push buttons cycle display pages and arm/disarm the alarm. Status LEDs indicate system state: green for normal, yellow for warning, red for alarm.

System overview:

SubsystemPeripheralBusUpdate Rate
Temperature, humidity, pressureBME280I2C1 (PB6/PB7)100 ms
DisplaySSD1306 OLED 128x64I2C1 (PB6/PB7)500 ms
Data storagemicroSD card moduleSPI1 (PA5/PA6/PA7, CS=PA4)1 s
WirelessHC-05 BluetoothUSART2 (PA2/PA3)2 s
Threshold input10K potentiometerADC1 (PA0)100 ms
Alarm outputRelay moduleGPIO (PB12)On threshold
Audio alarmPassive buzzerGPIO (PB13)On threshold
User input2x push buttonsGPIO (PB0, PB1)Polled
Status3x LEDs (green, yellow, red)GPIO (PB14, PB15, PA8)Continuous

Parts List



All parts are reused from previous lessons in this course.

PartFrom LessonBus/Pin
Blue Pill (STM32F103C8T6)Lesson 1N/A
ST-Link V2 cloneLesson 1SWD
BME280 module (I2C)Lesson 4I2C1
SSD1306 OLED 128x64 (I2C)Lesson 4I2C1
microSD card moduleLesson 5SPI1
microSD cardLesson 5SPI1
HC-05 Bluetooth moduleLesson 6USART2
10K potentiometerLesson 2ADC1
Relay module (5V, 1-channel)Lesson 1GPIO
Passive buzzerLesson 1GPIO
Push buttons (x2)Lesson 1GPIO
LEDs (green, yellow, red)VariousGPIO
330 ohm resistors (x3)VariousLED current limiting
4.7K resistors (x2)Lesson 4I2C pull-ups
BreadboardLesson 1N/A
Jumper wiresLesson 1N/A

System Architecture



Bus Allocation

The STM32F103C8T6 has limited peripherals, so bus assignment requires planning. The key constraint is that I2C1 is shared between the BME280 and OLED, meaning these two devices must be accessed sequentially (never simultaneously).

Multi-Sensor System Architecture
┌──────────────────────────────────────┐
│ Blue Pill (STM32F103) │
│ │
│ I2C1 ──┬── BME280 (0x76) │
│ PB6/7 └── SSD1306 OLED (0x3C) │
│ │
│ SPI1 ───── microSD (CS=PA4) │
│ PA5/6/7 │
│ │
│ USART2 ─── HC-05 Bluetooth │
│ PA2/3 (JSON to phone) │
│ │
│ ADC1 ───── Potentiometer (PA0) │
│ (alarm threshold) │
│ │
│ GPIO ──┬── Relay (PB12) │
│ ├── Buzzer (PB13) │
│ ├── LEDs: G/Y/R │
│ └── Buttons x2 │
└──────────────────────────────────────┘
BusDevicesClock SpeedNotes
I2C1 (PB6 SCL, PB7 SDA)BME280 (0x76), SSD1306 (0x3C)400 kHzDifferent addresses, sequential access
SPI1 (PA5 SCK, PA6 MISO, PA7 MOSI)microSD card (CS = PA4)18 MHz maxSingle device, dedicated CS
USART2 (PA2 TX, PA3 RX)HC-05 Bluetooth9600 baudDefault HC-05 baud rate
ADC1 (PA0)PotentiometerN/ASingle channel, polling

Timing Architecture

Different subsystems update at different rates. A simple tick counter in the main loop handles this without needing a real-time OS.

Cooperative Scheduling Timeline
Time (ms) 0 100 200 300 400 500
| | | | | |
Sensor *----*----*----*----*----*--
(100 ms)
OLED *--
(500 ms)
SD card *
(1000 ms)
Bluetooth .
(2000 ms)
Alarm *----*----*----*----*----*--
(100 ms)
Buttons *-*-*-*-*-*-*-*-*-*-*-*-*-
(10 ms)
TaskIntervalPriority
Sensor read (BME280 + ADC)100 msHigh
Display update (OLED)500 msMedium
SD card write (CSV)1000 msMedium
Bluetooth send (JSON)2000 msLow
Button poll10 msHigh
Alarm check100 msHigh

Complete Wiring Table



Blue Pill PinConnects ToFunction
PB6BME280 SCL, OLED SCLI2C1 SCL (4.7K pull-up to 3.3V)
PB7BME280 SDA, OLED SDAI2C1 SDA (4.7K pull-up to 3.3V)
PA5SD card SCKSPI1 SCK
PA6SD card MISOSPI1 MISO
PA7SD card MOSISPI1 MOSI
PA4SD card CSSPI1 NSS (GPIO output)
PA2HC-05 RXDUSART2 TX
PA3HC-05 TXDUSART2 RX
PA0Potentiometer wiperADC1 Channel 0
PB12Relay module INAlarm relay control
PB13Buzzer (+)Alarm buzzer
PB0Button 1 (to GND)Display page cycle (pull-up)
PB1Button 2 (to GND)Alarm arm/disarm (pull-up)
PB14Green LED (through 330R)Normal status
PB15Yellow LED (through 330R)Warning status
PA8Red LED (through 330R)Alarm active
3.3VBME280 VCC, OLED VCC, pot VCC, pull-upsPower
5VSD card VCC, HC-05 VCC, relay VCC5V power
GNDAll GND connectionsCommon ground

CubeMX Configuration



Follow the CubeMX and CubeIDE setup from Lesson 1 if this is your first project. The steps below assume you can create a new STM32F103C8Tx project, set up the clock, and import into CubeIDE.

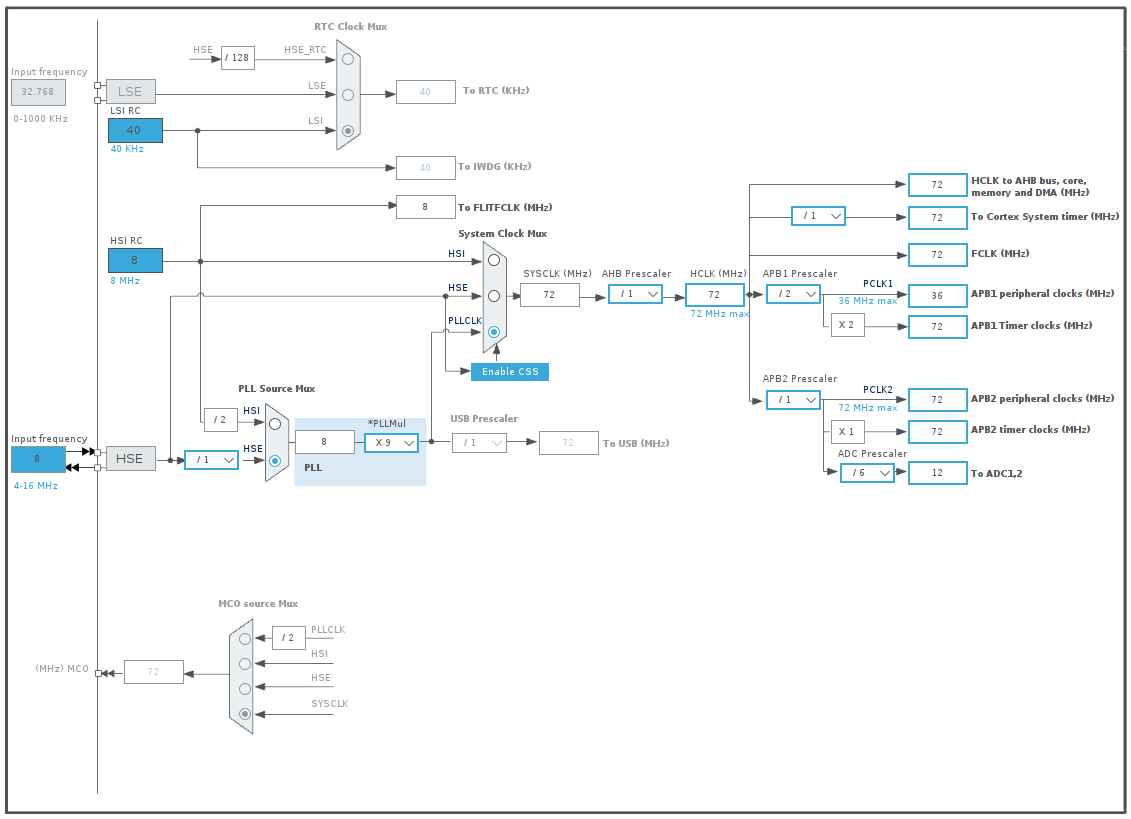
  1. Create new project in CubeMX for STM32F103C8Tx. Set SYS Debug to Serial Wire, RCC HSE to Crystal/Ceramic Resonator. In the Clock Configuration tab, set PLL Source to HSE, PLLMul to x9, System Clock Mux to PLLCLK, APB1 Prescaler to /2. HCLK should show 72 MHz.

  2. USART2: In the Pinout & Configuration tab, expand Connectivity in the left panel, click USART2, set Mode to Asynchronous. In Parameter Settings, set Baud Rate to 115200. PA2 (TX) and PA3 (RX) turn green.

  3. ADC1: Expand Analog, click ADC1. Check IN0 (PA0 for potentiometer) and Temperature Sensor Channel (internal temp, IN16).

  4. I2C1: Under Connectivity, click I2C1, set Mode to I2C. In Parameter Settings, set I2C Speed Mode to Fast Mode (400 kHz). PB6 (SCL) and PB7 (SDA) turn green.

  5. SPI1: Under Connectivity, click SPI1, set Mode to Full-Duplex Master. In Parameter Settings (under Clock Parameters), set Prescaler to 16 (4.5 MHz). PA5 (SCK), PA6 (MISO), PA7 (MOSI) turn green. Then click PA4 on the chip view and select GPIO_Output (SD card chip select).

  6. GPIO outputs: Click each pin on the chip view and select GPIO_Output: PB12 (relay), PB13 (buzzer), PB14 (green LED), PB15 (yellow LED), PA8 (red LED), PC13 (onboard heartbeat LED).

  7. GPIO inputs: Click PB0 on the chip view and select GPIO_Input. Click PB1 and select GPIO_Input. Then go to System Core > GPIO, click GPIO Settings tab at the bottom, click the PB0 row and set Pull-up/Pull-down to Pull-up. Do the same for PB1.

  8. Project Manager: Click the Project Manager tab. Set Project Name to MultiSensorLogger, choose a project location, verify Toolchain / IDE is STM32CubeIDE. Click GENERATE CODE.

  9. Import into CubeIDE: File > Import > General > Existing Projects into Workspace. Browse to the MultiSensorLogger folder. Build with Ctrl+B. You should see 0 errors, 0 warnings.

Your CubeMX configuration should match these after completing the steps above:

CubeMX pinout configuration for the Multi-Sensor Data Logger

CubeMX clock configuration for the Multi-Sensor Data Logger

Generated Project Structure

After CubeMX generates and CubeIDE imports, you should see:

  • ディレクトリMultiSensorLogger/
    • ディレクトリCore/
      • ディレクトリInc/
        • main.h
        • stm32f1xx_hal_conf.h
        • stm32f1xx_it.h
      • ディレクトリSrc/
        • main.c
        • stm32f1xx_hal_msp.c
        • stm32f1xx_it.c
        • syscalls.c
        • sysmem.c
        • system_stm32f1xx.c
      • ディレクトリStartup/
        • startup_stm32f103c8tx.s
    • ディレクトリDrivers/
      • ディレクトリCMSIS/
      • ディレクトリSTM32F1xx_HAL_Driver/
    • MultiSensorLogger.ioc
    • STM32F103C8TX_FLASH.ld

This is the base CubeMX output. As we add the capstone code, we will create additional files inside Core/Inc/ and Core/Src/.

Peripheral Initialization Order



The initialization order matters for reliable startup:

init_order.c
/* 1. HAL and clocks first */
HAL_Init();
SystemClock_Config();
/* 2. GPIO before anything else (CS pins, relay off, LEDs off) */
MX_GPIO_Init();
HAL_GPIO_WritePin(GPIOB, GPIO_PIN_12, GPIO_PIN_RESET); /* Relay off */
HAL_GPIO_WritePin(GPIOB, GPIO_PIN_13, GPIO_PIN_RESET); /* Buzzer off */
/* 3. Communication buses */
MX_I2C1_Init();
MX_SPI1_Init();
MX_USART2_UART_Init();
MX_ADC1_Init();
/* 4. Watchdog last (so init failures don't trigger resets) */
MX_IWDG_Init();

Data Structures



data_types.h
#ifndef DATA_TYPES_H
#define DATA_TYPES_H
#include <stdint.h>
/* Sensor data packet */
typedef struct {
uint32_t timestamp_ms;
float temperature; /* degrees C */
float humidity; /* percent RH */
float pressure; /* hPa */
uint16_t pot_raw; /* 0-4095 */
float threshold_temp; /* derived from pot_raw */
uint8_t alarm_active;
} SensorData;
/* Display page enumeration */
typedef enum {
PAGE_LIVE_DATA = 0,
PAGE_MIN_MAX,
PAGE_LOG_COUNT,
PAGE_SYSTEM_INFO,
PAGE_COUNT
} DisplayPage;
/* System state */
typedef struct {
SensorData current;
float temp_min;
float temp_max;
float hum_min;
float hum_max;
uint32_t log_count;
uint32_t uptime_seconds;
DisplayPage current_page;
uint8_t alarm_armed;
uint8_t alarm_triggered;
uint8_t sd_card_ok;
uint8_t bme280_ok;
uint8_t bt_connected;
} SystemState;
#endif

BME280 Driver (I2C)



bme280.c
#include "main.h"
#include <stdint.h>
#define BME280_ADDR (0x76 << 1) /* HAL uses 8-bit address */
/* Calibration data (read once at startup) */
static uint16_t dig_T1;
static int16_t dig_T2, dig_T3;
static uint16_t dig_H1_u, dig_H3_u;
static int16_t dig_H2, dig_H4, dig_H5;
static int8_t dig_H6;
static uint16_t dig_P1;
static int16_t dig_P2, dig_P3, dig_P4, dig_P5, dig_P6, dig_P7, dig_P8, dig_P9;
static int32_t t_fine;
uint8_t BME280_Init(I2C_HandleTypeDef *hi2c)
{
uint8_t chip_id = 0;
uint8_t reg = 0xD0;
if (HAL_I2C_Mem_Read(hi2c, BME280_ADDR, reg, 1, &chip_id, 1, 100) != HAL_OK)
return 0;
if (chip_id != 0x60) return 0; /* BME280 chip ID */
/* Read temperature calibration */
uint8_t cal[26];
HAL_I2C_Mem_Read(hi2c, BME280_ADDR, 0x88, 1, cal, 26, 100);
dig_T1 = (cal[1] << 8) | cal[0];
dig_T2 = (cal[3] << 8) | cal[2];
dig_T3 = (cal[5] << 8) | cal[4];
/* Pressure calibration */
dig_P1 = (cal[7] << 8) | cal[6];
dig_P2 = (cal[9] << 8) | cal[8];
dig_P3 = (cal[11] << 8) | cal[10];
dig_P4 = (cal[13] << 8) | cal[12];
dig_P5 = (cal[15] << 8) | cal[14];
dig_P6 = (cal[17] << 8) | cal[16];
dig_P7 = (cal[19] << 8) | cal[18];
dig_P8 = (cal[21] << 8) | cal[20];
dig_P9 = (cal[23] << 8) | cal[22];
/* Humidity calibration (split across registers 0xA1 and 0xE1-0xE7) */
uint8_t hcal[8];
HAL_I2C_Mem_Read(hi2c, BME280_ADDR, 0xA1, 1, &hcal[0], 1, 100);
HAL_I2C_Mem_Read(hi2c, BME280_ADDR, 0xE1, 1, &hcal[1], 7, 100);
dig_H1_u = hcal[0];
dig_H2 = (hcal[2] << 8) | hcal[1];
dig_H3_u = hcal[3];
dig_H4 = (hcal[4] << 4) | (hcal[5] & 0x0F);
dig_H5 = (hcal[6] << 4) | ((hcal[5] >> 4) & 0x0F);
dig_H6 = (int8_t)hcal[7];
/* Configure: humidity oversampling x1 (must be set before ctrl_meas) */
uint8_t ctrl_hum = 0x01;
HAL_I2C_Mem_Write(hi2c, BME280_ADDR, 0xF2, 1, &ctrl_hum, 1, 100);
/* Configure: temp x2, pressure x2, normal mode */
uint8_t ctrl_meas = 0x4B; /* osrs_t=010, osrs_p=010, mode=11 */
HAL_I2C_Mem_Write(hi2c, BME280_ADDR, 0xF4, 1, &ctrl_meas, 1, 100);
/* Config: standby 62.5 ms, filter coeff 4 */
uint8_t config = 0x28;
HAL_I2C_Mem_Write(hi2c, BME280_ADDR, 0xF5, 1, &config, 1, 100);
return 1;
}
uint8_t BME280_Read(I2C_HandleTypeDef *hi2c, float *temp, float *hum, float *press)
{
uint8_t data[8];
if (HAL_I2C_Mem_Read(hi2c, BME280_ADDR, 0xF7, 1, data, 8, 100) != HAL_OK)
return 0;
/* Raw pressure (20-bit) */
int32_t adc_P = ((int32_t)data[0] << 12) | ((int32_t)data[1] << 4) | (data[2] >> 4);
/* Raw temperature (20-bit) */
int32_t adc_T = ((int32_t)data[3] << 12) | ((int32_t)data[4] << 4) | (data[5] >> 4);
/* Raw humidity (16-bit) */
int32_t adc_H = ((int32_t)data[6] << 8) | data[7];
/* Temperature compensation (from BME280 datasheet) */
int32_t var1 = ((((adc_T >> 3) - ((int32_t)dig_T1 << 1))) * ((int32_t)dig_T2)) >> 11;
int32_t var2 = (((((adc_T >> 4) - ((int32_t)dig_T1)) *
((adc_T >> 4) - ((int32_t)dig_T1))) >> 12) *
((int32_t)dig_T3)) >> 14;
t_fine = var1 + var2;
*temp = (float)((t_fine * 5 + 128) >> 8) / 100.0f;
/* Pressure compensation */
int64_t var1_p = ((int64_t)t_fine) - 128000;
int64_t var2_p = var1_p * var1_p * (int64_t)dig_P6;
var2_p = var2_p + ((var1_p * (int64_t)dig_P5) << 17);
var2_p = var2_p + (((int64_t)dig_P4) << 35);
var1_p = ((var1_p * var1_p * (int64_t)dig_P3) >> 8) +
((var1_p * (int64_t)dig_P2) << 12);
var1_p = (((((int64_t)1) << 47) + var1_p)) * ((int64_t)dig_P1) >> 33;
if (var1_p == 0) { *press = 0; }
else {
int64_t p = 1048576 - adc_P;
p = (((p << 31) - var2_p) * 3125) / var1_p;
var1_p = (((int64_t)dig_P9) * (p >> 13) * (p >> 13)) >> 25;
var2_p = (((int64_t)dig_P8) * p) >> 19;
p = ((p + var1_p + var2_p) >> 8) + (((int64_t)dig_P7) << 4);
*press = (float)((uint32_t)p) / 25600.0f;
}
/* Humidity compensation */
int32_t v_x1 = (t_fine - ((int32_t)76800));
v_x1 = (((((adc_H << 14) - (((int32_t)dig_H4) << 20) -
(((int32_t)dig_H5) * v_x1)) + ((int32_t)16384)) >> 15) *
(((((((v_x1 * ((int32_t)dig_H6)) >> 10) *
(((v_x1 * ((int32_t)dig_H3_u)) >> 11) + ((int32_t)32768))) >> 10) +
((int32_t)2097152)) * ((int32_t)dig_H2) + 8192) >> 14));
v_x1 = (v_x1 - (((((v_x1 >> 15) * (v_x1 >> 15)) >> 7) * ((int32_t)dig_H1_u)) >> 4));
v_x1 = (v_x1 < 0) ? 0 : v_x1;
v_x1 = (v_x1 > 419430400) ? 419430400 : v_x1;
*hum = (float)(v_x1 >> 12) / 1024.0f;
return 1;
}

SSD1306 OLED Driver (I2C)



ssd1306.h
#ifndef SSD1306_H
#define SSD1306_H
#include "main.h"
uint8_t SSD1306_Init(I2C_HandleTypeDef *hi2c);
void SSD1306_Clear(void);
void SSD1306_SetPixel(uint8_t x, uint8_t y, uint8_t on);
void SSD1306_WriteString(uint8_t x, uint8_t y, const char *str);
void SSD1306_Update(I2C_HandleTypeDef *hi2c);
#endif
ssd1306.c
#include "main.h"
#include <string.h>
#include <stdint.h>
#define SSD1306_ADDR (0x3C << 1)
#define SSD1306_WIDTH 128
#define SSD1306_HEIGHT 64
static uint8_t framebuffer[SSD1306_WIDTH * SSD1306_HEIGHT / 8];
uint8_t SSD1306_Init(I2C_HandleTypeDef *hi2c)
{
const uint8_t init_cmds[] = {
0xAE, 0xD5, 0x80, 0xA8, 0x3F, 0xD3, 0x00,
0x40, 0x8D, 0x14, 0x20, 0x00, 0xA1, 0xC8,
0xDA, 0x12, 0x81, 0xCF, 0xD9, 0xF1, 0xDB,
0x40, 0xA4, 0xA6, 0xAF
};
for (int i = 0; i < sizeof(init_cmds); i++) {
uint8_t buf[2] = {0x00, init_cmds[i]};
if (HAL_I2C_Master_Transmit(hi2c, SSD1306_ADDR, buf, 2, 100) != HAL_OK)
return 0;
}
memset(framebuffer, 0, sizeof(framebuffer));
return 1;
}
void SSD1306_Clear(void)
{
memset(framebuffer, 0, sizeof(framebuffer));
}
void SSD1306_SetPixel(uint8_t x, uint8_t y, uint8_t on)
{
if (x >= SSD1306_WIDTH || y >= SSD1306_HEIGHT) return;
if (on) framebuffer[x + (y / 8) * SSD1306_WIDTH] |= (1 << (y % 8));
else framebuffer[x + (y / 8) * SSD1306_WIDTH] &= ~(1 << (y % 8));
}
/* Simple 5x7 font rendering (font table omitted for brevity) */
extern const uint8_t font5x7[][5];
void SSD1306_WriteString(uint8_t x, uint8_t y, const char *str)
{
while (*str && x < SSD1306_WIDTH - 5) {
uint8_t c = (uint8_t)*str;
if (c >= 32 && c <= 90) {
for (int i = 0; i < 5; i++) {
uint8_t col = font5x7[c - 32][i];
for (int bit = 0; bit < 7; bit++) {
SSD1306_SetPixel(x + i, y + bit, (col >> bit) & 1);
}
}
}
x += 6;
str++;
}
}
void SSD1306_Update(I2C_HandleTypeDef *hi2c)
{
for (uint8_t page = 0; page < 8; page++) {
uint8_t cmd_buf[3];
/* Set page address */
cmd_buf[0] = 0x00; cmd_buf[1] = 0xB0 + page;
HAL_I2C_Master_Transmit(hi2c, SSD1306_ADDR, cmd_buf, 2, 100);
/* Set column start */
cmd_buf[1] = 0x00; HAL_I2C_Master_Transmit(hi2c, SSD1306_ADDR, cmd_buf, 2, 100);
cmd_buf[1] = 0x10; HAL_I2C_Master_Transmit(hi2c, SSD1306_ADDR, cmd_buf, 2, 100);
/* Send page data */
uint8_t data_buf[SSD1306_WIDTH + 1];
data_buf[0] = 0x40;
memcpy(&data_buf[1], &framebuffer[page * SSD1306_WIDTH], SSD1306_WIDTH);
HAL_I2C_Master_Transmit(hi2c, SSD1306_ADDR, data_buf, SSD1306_WIDTH + 1, 100);
}
}
font5x7.c
/* font5x7.c - 5x7 pixel font for SSD1306 OLED
* Covers ASCII 0x20 (space) through 0x5A ('Z')
*/
#include <stdint.h>
const uint8_t font5x7[][5] = {
{0x00, 0x00, 0x00, 0x00, 0x00}, // ' '
{0x00, 0x00, 0x5F, 0x00, 0x00}, // '!'
{0x00, 0x07, 0x00, 0x07, 0x00}, // '"'
{0x14, 0x7F, 0x14, 0x7F, 0x14}, // '#'
{0x24, 0x2A, 0x7F, 0x2A, 0x12}, // '$'
{0x23, 0x13, 0x08, 0x64, 0x62}, // '%'
{0x36, 0x49, 0x56, 0x20, 0x50}, // '&'
{0x00, 0x08, 0x07, 0x03, 0x00}, // '\''
{0x00, 0x1C, 0x22, 0x41, 0x00}, // '('
{0x00, 0x41, 0x22, 0x1C, 0x00}, // ')'
{0x2A, 0x1C, 0x7F, 0x1C, 0x2A}, // '*'
{0x08, 0x08, 0x3E, 0x08, 0x08}, // '+'
{0x00, 0x80, 0x70, 0x30, 0x00}, // ','
{0x08, 0x08, 0x08, 0x08, 0x08}, // '-'
{0x00, 0x00, 0x60, 0x60, 0x00}, // '.'
{0x20, 0x10, 0x08, 0x04, 0x02}, // '/'
{0x3E, 0x51, 0x49, 0x45, 0x3E}, // '0'
{0x00, 0x42, 0x7F, 0x40, 0x00}, // '1'
{0x72, 0x49, 0x49, 0x49, 0x46}, // '2'
{0x21, 0x41, 0x49, 0x4D, 0x33}, // '3'
{0x18, 0x14, 0x12, 0x7F, 0x10}, // '4'
{0x27, 0x45, 0x45, 0x45, 0x39}, // '5'
{0x3C, 0x4A, 0x49, 0x49, 0x31}, // '6'
{0x41, 0x21, 0x11, 0x09, 0x07}, // '7'
{0x36, 0x49, 0x49, 0x49, 0x36}, // '8'
{0x46, 0x49, 0x49, 0x29, 0x1E}, // '9'
{0x00, 0x00, 0x14, 0x00, 0x00}, // ':'
{0x00, 0x40, 0x34, 0x00, 0x00}, // ';'
{0x00, 0x08, 0x14, 0x22, 0x41}, // '<'
{0x14, 0x14, 0x14, 0x14, 0x14}, // '='
{0x00, 0x41, 0x22, 0x14, 0x08}, // '>'
{0x02, 0x01, 0x59, 0x09, 0x06}, // '?'
{0x3E, 0x41, 0x5D, 0x59, 0x4E}, // '@'
{0x7C, 0x12, 0x11, 0x12, 0x7C}, // 'A'
{0x7F, 0x49, 0x49, 0x49, 0x36}, // 'B'
{0x3E, 0x41, 0x41, 0x41, 0x22}, // 'C'
{0x7F, 0x41, 0x41, 0x41, 0x3E}, // 'D'
{0x7F, 0x49, 0x49, 0x49, 0x41}, // 'E'
{0x7F, 0x09, 0x09, 0x09, 0x01}, // 'F'
{0x3E, 0x41, 0x41, 0x51, 0x73}, // 'G'
{0x7F, 0x08, 0x08, 0x08, 0x7F}, // 'H'
{0x00, 0x41, 0x7F, 0x41, 0x00}, // 'I'
{0x20, 0x40, 0x41, 0x3F, 0x01}, // 'J'
{0x7F, 0x08, 0x14, 0x22, 0x41}, // 'K'
{0x7F, 0x40, 0x40, 0x40, 0x40}, // 'L'
{0x7F, 0x02, 0x1C, 0x02, 0x7F}, // 'M'
{0x7F, 0x04, 0x08, 0x10, 0x7F}, // 'N'
{0x3E, 0x41, 0x41, 0x41, 0x3E}, // 'O'
{0x7F, 0x09, 0x09, 0x09, 0x06}, // 'P'
{0x3E, 0x41, 0x51, 0x21, 0x5E}, // 'Q'
{0x7F, 0x09, 0x19, 0x29, 0x46}, // 'R'
{0x26, 0x49, 0x49, 0x49, 0x32}, // 'S'
{0x03, 0x01, 0x7F, 0x01, 0x03}, // 'T'
{0x3F, 0x40, 0x40, 0x40, 0x3F}, // 'U'
{0x1F, 0x20, 0x40, 0x20, 0x1F}, // 'V'
{0x3F, 0x40, 0x38, 0x40, 0x3F}, // 'W'
{0x63, 0x14, 0x08, 0x14, 0x63}, // 'X'
{0x03, 0x04, 0x78, 0x04, 0x03}, // 'Y'
{0x61, 0x59, 0x49, 0x4D, 0x43}, // 'Z'
};

SD Card with FatFS (SPI)



sd_logger.c
#include "fatfs.h"
#include "data_types.h"
#include <stdio.h>
static FIL log_file;
static FATFS sd_fs; /* Must persist for the lifetime of the mount */
static uint8_t sd_mounted = 0;
uint8_t SD_Logger_Init(void)
{
FRESULT res;
res = f_mount(&sd_fs, "", 1);
if (res != FR_OK) return 0;
/* Open or create log file */
res = f_open(&log_file, "datalog.csv", FA_WRITE | FA_OPEN_APPEND);
if (res != FR_OK) return 0;
/* Write CSV header if file is new (size == 0) */
if (f_size(&log_file) == 0) {
f_printf(&log_file, "time_ms,temp_c,humidity_pct,pressure_hpa,threshold,alarm\n");
}
sd_mounted = 1;
return 1;
}
uint8_t SD_Logger_Write(SensorData *data)
{
if (!sd_mounted) return 0;
FRESULT res;
char line[128];
int len = snprintf(line, sizeof(line),
"%lu,%.1f,%.1f,%.1f,%.1f,%u\n",
data->timestamp_ms,
data->temperature,
data->humidity,
data->pressure,
data->threshold_temp,
data->alarm_active);
UINT bw;
res = f_write(&log_file, line, len, &bw);
if (res != FR_OK) return 0;
f_sync(&log_file); /* Flush to card */
return 1;
}
uint8_t SD_Logger_Check(void)
{
/* Attempt to detect card removal by trying a read */
FILINFO fno;
if (f_stat("datalog.csv", &fno) != FR_OK) {
sd_mounted = 0;
/* Try to remount */
if (SD_Logger_Init()) {
sd_mounted = 1;
}
}
return sd_mounted;
}

Bluetooth Streaming (UART)



bluetooth.c
#include "main.h"
#include "data_types.h"
#include <stdio.h>
#include <string.h>
/* Send JSON data over USART2 to HC-05 */
uint8_t BT_SendJSON(UART_HandleTypeDef *huart, SensorData *data)
{
char json[200];
int len = snprintf(json, sizeof(json),
"{\"t\":%.1f,\"h\":%.1f,\"p\":%.1f,\"thr\":%.1f,\"alarm\":%u,\"ms\":%lu}\r\n",
data->temperature,
data->humidity,
data->pressure,
data->threshold_temp,
data->alarm_active,
data->timestamp_ms);
if (HAL_UART_Transmit(huart, (uint8_t *)json, len, 200) != HAL_OK)
return 0;
return 1;
}

Display Pages (State Machine)



display.c
#include "main.h"
#include "ssd1306.h"
#include "data_types.h"
#include <stdio.h>
void Display_LiveData(SystemState *state)
{
char buf[24];
SSD1306_Clear();
snprintf(buf, sizeof(buf), "T: %.1f C", state->current.temperature);
SSD1306_WriteString(0, 0, buf);
snprintf(buf, sizeof(buf), "H: %.1f %%", state->current.humidity);
SSD1306_WriteString(0, 10, buf);
snprintf(buf, sizeof(buf), "P: %.0f hPa", state->current.pressure);
SSD1306_WriteString(0, 20, buf);
snprintf(buf, sizeof(buf), "Thr: %.1f C", state->current.threshold_temp);
SSD1306_WriteString(0, 30, buf);
if (state->alarm_triggered) {
SSD1306_WriteString(0, 45, "** ALARM **");
} else if (state->alarm_armed) {
SSD1306_WriteString(0, 45, "Armed");
} else {
SSD1306_WriteString(0, 45, "Disarmed");
}
}
void Display_MinMax(SystemState *state)
{
char buf[24];
SSD1306_Clear();
SSD1306_WriteString(0, 0, "Min / Max");
snprintf(buf, sizeof(buf), "T: %.1f / %.1f", state->temp_min, state->temp_max);
SSD1306_WriteString(0, 14, buf);
snprintf(buf, sizeof(buf), "H: %.1f / %.1f", state->hum_min, state->hum_max);
SSD1306_WriteString(0, 28, buf);
}
void Display_LogCount(SystemState *state)
{
char buf[24];
SSD1306_Clear();
SSD1306_WriteString(0, 0, "SD Card Log");
snprintf(buf, sizeof(buf), "Entries: %lu", state->log_count);
SSD1306_WriteString(0, 14, buf);
snprintf(buf, sizeof(buf), "SD: %s", state->sd_card_ok ? "OK" : "FAIL");
SSD1306_WriteString(0, 28, buf);
}
void Display_SystemInfo(SystemState *state)
{
char buf[24];
SSD1306_Clear();
SSD1306_WriteString(0, 0, "System Info");
snprintf(buf, sizeof(buf), "Up: %lus", state->uptime_seconds);
SSD1306_WriteString(0, 14, buf);
snprintf(buf, sizeof(buf), "BME: %s", state->bme280_ok ? "OK" : "FAIL");
SSD1306_WriteString(0, 28, buf);
snprintf(buf, sizeof(buf), "BT: %s", state->bt_connected ? "ON" : "OFF");
SSD1306_WriteString(0, 42, buf);
}
void Display_Update(I2C_HandleTypeDef *hi2c, SystemState *state)
{
switch (state->current_page) {
case PAGE_LIVE_DATA: Display_LiveData(state); break;
case PAGE_MIN_MAX: Display_MinMax(state); break;
case PAGE_LOG_COUNT: Display_LogCount(state); break;
case PAGE_SYSTEM_INFO: Display_SystemInfo(state); break;
default: break;
}
SSD1306_Update(hi2c);
}

Alarm Logic



alarm.c
#include "main.h"
#include "data_types.h"
static uint32_t buzzer_tick = 0;
static uint8_t buzzer_state = 0;
void Alarm_Check(SystemState *state)
{
if (!state->alarm_armed) {
state->alarm_triggered = 0;
HAL_GPIO_WritePin(GPIOB, GPIO_PIN_12, GPIO_PIN_RESET); /* Relay off */
HAL_GPIO_WritePin(GPIOB, GPIO_PIN_13, GPIO_PIN_RESET); /* Buzzer off */
return;
}
float margin = state->current.threshold_temp - state->current.temperature;
if (state->current.temperature > state->current.threshold_temp) {
/* Alarm triggered */
state->alarm_triggered = 1;
HAL_GPIO_WritePin(GPIOB, GPIO_PIN_12, GPIO_PIN_SET); /* Relay on */
/* Buzzer pattern: beep-beep-pause (200ms on, 100ms off, 200ms on, 500ms off) */
buzzer_tick++;
if (buzzer_tick < 2) buzzer_state = 1; /* First beep */
else if (buzzer_tick < 3) buzzer_state = 0; /* Gap */
else if (buzzer_tick < 5) buzzer_state = 1; /* Second beep */
else if (buzzer_tick < 10) buzzer_state = 0; /* Pause */
else buzzer_tick = 0;
HAL_GPIO_WritePin(GPIOB, GPIO_PIN_13,
buzzer_state ? GPIO_PIN_SET : GPIO_PIN_RESET);
} else {
state->alarm_triggered = 0;
buzzer_tick = 0;
HAL_GPIO_WritePin(GPIOB, GPIO_PIN_12, GPIO_PIN_RESET);
HAL_GPIO_WritePin(GPIOB, GPIO_PIN_13, GPIO_PIN_RESET);
}
/* Status LEDs */
if (state->alarm_triggered) {
HAL_GPIO_WritePin(GPIOB, GPIO_PIN_14, GPIO_PIN_RESET); /* Green off */
HAL_GPIO_WritePin(GPIOB, GPIO_PIN_15, GPIO_PIN_RESET); /* Yellow off */
HAL_GPIO_WritePin(GPIOA, GPIO_PIN_8, GPIO_PIN_SET); /* Red on */
} else if (margin < 5.0f && margin > 0) {
HAL_GPIO_WritePin(GPIOB, GPIO_PIN_14, GPIO_PIN_RESET);
HAL_GPIO_WritePin(GPIOB, GPIO_PIN_15, GPIO_PIN_SET); /* Yellow on */
HAL_GPIO_WritePin(GPIOA, GPIO_PIN_8, GPIO_PIN_RESET);
} else {
HAL_GPIO_WritePin(GPIOB, GPIO_PIN_14, GPIO_PIN_SET); /* Green on */
HAL_GPIO_WritePin(GPIOB, GPIO_PIN_15, GPIO_PIN_RESET);
HAL_GPIO_WritePin(GPIOA, GPIO_PIN_8, GPIO_PIN_RESET);
}
}

Complete main.c



main.c
#include "main.h"
#include "fatfs.h"
#include "data_types.h"
#include <stdio.h>
#include <string.h>
/* Peripheral handles (generated by CubeMX) */
extern I2C_HandleTypeDef hi2c1;
extern SPI_HandleTypeDef hspi1;
extern UART_HandleTypeDef huart2;
extern ADC_HandleTypeDef hadc1;
extern IWDG_HandleTypeDef hiwdg;
/* System state */
SystemState sys = {0};
/* Timing counters (milliseconds) */
uint32_t tick_sensor = 0;
uint32_t tick_display = 0;
uint32_t tick_sd = 0;
uint32_t tick_bt = 0;
uint32_t tick_second = 0;
/* Button debounce */
uint8_t btn1_prev = 1, btn2_prev = 1;
uint8_t btn1_count = 0, btn2_count = 0;
/* Forward declarations */
extern uint8_t BME280_Init(I2C_HandleTypeDef *hi2c);
extern uint8_t BME280_Read(I2C_HandleTypeDef *hi2c, float *t, float *h, float *p);
extern uint8_t SSD1306_Init(I2C_HandleTypeDef *hi2c);
extern void Display_Update(I2C_HandleTypeDef *hi2c, SystemState *state);
extern uint8_t SD_Logger_Init(void);
extern uint8_t SD_Logger_Write(SensorData *data);
extern uint8_t SD_Logger_Check(void);
extern uint8_t BT_SendJSON(UART_HandleTypeDef *huart, SensorData *data);
extern void Alarm_Check(SystemState *state);
/* Read potentiometer and convert to threshold temperature */
float ReadThreshold(void)
{
HAL_ADC_Start(&hadc1);
HAL_ADC_PollForConversion(&hadc1, 10);
uint16_t raw = HAL_ADC_GetValue(&hadc1);
HAL_ADC_Stop(&hadc1);
sys.current.pot_raw = raw;
/* Map 0-4095 to 15.0-50.0 degrees C */
return 15.0f + ((float)raw / 4095.0f) * 35.0f;
}
/* Debounced button read */
void PollButtons(void)
{
uint8_t b1 = HAL_GPIO_ReadPin(GPIOB, GPIO_PIN_0);
uint8_t b2 = HAL_GPIO_ReadPin(GPIOB, GPIO_PIN_1);
/* Button 1: cycle display page */
if (btn1_prev == 1 && b1 == 0) {
btn1_count++;
if (btn1_count > 3) { /* ~30 ms debounce */
sys.current_page = (DisplayPage)((sys.current_page + 1) % PAGE_COUNT);
btn1_count = 0;
}
} else {
btn1_count = 0;
}
btn1_prev = b1;
/* Button 2: arm/disarm alarm */
if (btn2_prev == 1 && b2 == 0) {
btn2_count++;
if (btn2_count > 3) {
sys.alarm_armed = !sys.alarm_armed;
btn2_count = 0;
}
} else {
btn2_count = 0;
}
btn2_prev = b2;
}
int main(void)
{
HAL_Init();
SystemClock_Config();
MX_GPIO_Init();
MX_I2C1_Init();
MX_SPI1_Init();
MX_USART2_UART_Init();
MX_ADC1_Init();
MX_FATFS_Init();
/* Initialize relay and buzzer off */
HAL_GPIO_WritePin(GPIOB, GPIO_PIN_12, GPIO_PIN_RESET);
HAL_GPIO_WritePin(GPIOB, GPIO_PIN_13, GPIO_PIN_RESET);
/* Green LED on during init */
HAL_GPIO_WritePin(GPIOB, GPIO_PIN_14, GPIO_PIN_SET);
/* Initialize BME280 */
sys.bme280_ok = BME280_Init(&hi2c1);
/* Initialize OLED */
SSD1306_Init(&hi2c1);
/* Initialize SD card */
sys.sd_card_ok = SD_Logger_Init();
/* Initialize min/max with first reading */
if (sys.bme280_ok) {
BME280_Read(&hi2c1,
&sys.current.temperature,
&sys.current.humidity,
&sys.current.pressure);
sys.temp_min = sys.temp_max = sys.current.temperature;
sys.hum_min = sys.hum_max = sys.current.humidity;
}
sys.alarm_armed = 1; /* Armed by default */
sys.bt_connected = 1; /* Assume connected */
sys.log_count = 0;
/* Start watchdog */
MX_IWDG_Init();
while (1) {
uint32_t now = HAL_GetTick();
/* Feed watchdog */
HAL_IWDG_Refresh(&hiwdg);
/* Poll buttons every ~10 ms */
PollButtons();
/* Sensor read every 100 ms */
if (now - tick_sensor >= 100) {
tick_sensor = now;
sys.current.timestamp_ms = now;
/* Read BME280 with retry on failure */
if (sys.bme280_ok) {
if (!BME280_Read(&hi2c1,
&sys.current.temperature,
&sys.current.humidity,
&sys.current.pressure)) {
sys.bme280_ok = 0;
/* Attempt reinit */
sys.bme280_ok = BME280_Init(&hi2c1);
}
}
/* Read potentiometer threshold */
sys.current.threshold_temp = ReadThreshold();
/* Update min/max */
if (sys.current.temperature < sys.temp_min) sys.temp_min = sys.current.temperature;
if (sys.current.temperature > sys.temp_max) sys.temp_max = sys.current.temperature;
if (sys.current.humidity < sys.hum_min) sys.hum_min = sys.current.humidity;
if (sys.current.humidity > sys.hum_max) sys.hum_max = sys.current.humidity;
/* Check alarm */
sys.current.alarm_active = sys.alarm_triggered;
Alarm_Check(&sys);
}
/* Display update every 500 ms */
if (now - tick_display >= 500) {
tick_display = now;
Display_Update(&hi2c1, &sys);
}
/* SD card write every 1 second */
if (now - tick_sd >= 1000) {
tick_sd = now;
if (sys.sd_card_ok) {
if (SD_Logger_Write(&sys.current)) {
sys.log_count++;
} else {
sys.sd_card_ok = SD_Logger_Check();
}
} else {
sys.sd_card_ok = SD_Logger_Check();
}
}
/* Bluetooth send every 2 seconds */
if (now - tick_bt >= 2000) {
tick_bt = now;
if (BT_SendJSON(&huart2, &sys.current) != 1) {
sys.bt_connected = 0;
} else {
sys.bt_connected = 1;
}
}
/* Uptime counter */
if (now - tick_second >= 1000) {
tick_second = now;
sys.uptime_seconds++;
}
HAL_Delay(10);
}
}

Project File Structure



  • ディレクトリMultiSensorLogger/
    • ディレクトリCore/
      • ディレクトリInc/
        • main.h
        • data_types.h
        • ssd1306.h
        • stm32f1xx_hal_conf.h
        • stm32f1xx_it.h
      • ディレクトリSrc/
        • main.c
        • bme280.c
        • ssd1306.c
        • sd_logger.c
        • bluetooth.c
        • display.c
        • alarm.c
        • font5x7.c
        • system_stm32f1xx.c
        • stm32f1xx_it.c
        • stm32f1xx_hal_msp.c
    • ディレクトリFATFS/
      • ディレクトリApp/
        • fatfs.c
      • ディレクトリTarget/
        • user_diskio.c
    • ディレクトリDrivers/
      • ディレクトリCMSIS/
      • ディレクトリSTM32F1xx_HAL_Driver/
    • MultiSensorLogger.ioc

Testing



Flashing the Firmware

In CubeIDE, click the Run button (green play icon) or use Run > Run As > STM32 C/C++ Application. If CubeIDE’s built-in GDB server fails (common on Ubuntu 20.04 or older due to GLIBC version requirements), flash from the command line instead:

Terminal window
arm-none-eabi-objcopy -O binary Debug/codes.elf Debug/codes.bin
st-flash --reset write Debug/codes.bin 0x08000000

The --reset flag resets the MCU after flashing so it starts running immediately. Without it, you need to press the NRST button on the Blue Pill.

Test Sequence

  1. Check the onboard LED. After flashing, the LED should blink at roughly 1 Hz (500 ms on, 500 ms off). This confirms the firmware is running and the main loop is executing.

  2. Check the OLED. It should briefly show “MULTI-SENSOR DATA LOGGER INITIALIZING…” then switch to the live data page showing temperature, threshold, pot value, uptime, and alarm status. If the display is blank, check I2C wiring (PB6 = SCL, PB7 = SDA) and verify VCC is connected to 3.3V.

  3. Verify the potentiometer. Turn the knob. The THR value on the OLED should change between 15.0 and 50.0 degrees C. The POT value shows the raw ADC reading (0 to 4095). Any potentiometer value from 1K to 100K works. If no potentiometer is connected, the value will float randomly.

  4. Trigger the alarm. Turn the potentiometer so THR drops below the current temperature reading (T). The OLED should switch from “ARMED - OK” to ”** ALARM **”. If LEDs and a buzzer are connected, the red LED (PA8) lights up, the relay (PB12) activates, and the buzzer (PB13) sounds.

  5. Test button functions (if connected). Button 1 (PB0 to GND) cycles display pages. Button 2 (PB1 to GND) arms and disarms the alarm. Buttons use internal pull-ups, so each button connects between the pin and GND with no external resistor.

  6. Add the BME280 sensor. Connect to the same I2C bus as the OLED (PB6 SCL, PB7 SDA, 3.3V, GND). Both devices share the bus at different addresses (OLED = 0x3C, BME280 = 0x76).

  7. Test the SD card. After adding SD card logging code, remove the card, insert it into a computer, and check for datalog.csv with timestamped sensor readings.

  8. Pair the HC-05 Bluetooth module. Open a serial terminal on your phone or computer. JSON lines should arrive every 2 seconds.

Power Considerations



PeripheralActive CurrentNotes
STM32F103 (72 MHz)~30 mADominant consumer
BME280~0.3 mAVery low; 1 uA in sleep
SSD1306 OLED~10 mADepends on pixels lit
SD card (write)~50 mA peakSignificant spikes during write
HC-05~30 mA~8 mA in connected idle
Relay module~70 mACoil current when active
Total (worst case)~190 mAExceeds USB 100 mA; use external supply

For battery operation, consider powering down peripherals when idle. The BME280 can be put into sleep mode between readings. The OLED can be turned off with command 0xAE. The HC-05 can enter low-power mode via AT commands. The STM32 itself supports Stop mode with wake-on-interrupt from a timer, consuming under 20 uA.

Production Notes



From Breadboard to Product

PCB layout: Place decoupling capacitors (100 nF ceramic) within 5 mm of every IC power pin. Route I2C traces as short differential pairs. Keep the SD card traces short and away from noisy PWM signals. Use a ground pour on the bottom layer.

Power budgeting: The total system draws up to 190 mA under worst case. A USB power source provides 500 mA, which is sufficient. For battery operation with a LiPo cell, add a 3.3V LDO regulator rated for 300 mA or more. Budget for the relay coil current, which dominates during alarm state.

Enclosure design: The OLED and buttons need panel cutouts. The BME280 should be exposed to ambient air (not sealed inside). Route the SD card slot to be accessible. Include ventilation holes near the sensor to avoid heat buildup from the voltage regulator affecting temperature readings.

Field testing: Deploy the logger for 24 hours and verify the SD card data covers the full period without gaps. Check that the watchdog never triggers (which would appear as a gap in timestamps). Monitor Bluetooth range: the HC-05 typically reaches 10 meters indoors.

Reliability: Add a startup self-test that checks each peripheral (BME280 chip ID, OLED ACK, SD card mount, UART echo) and reports failures on the OLED before entering the main loop. In production firmware, store a failure log in the STM32’s backup registers so you can diagnose field failures.

Course Summary



This course covered ten lessons progressing from basic GPIO interfacing to a complete multi-sensor integrated system:

LessonTopicKey Skills
1GPIO and Digital InterfacingCubeIDE setup, HAL GPIO, interrupts, relay and ultrasonic control
2ADC and Analog Signal Conditioning12-bit ADC, signal conditioning, voltage dividers, op-amp buffers
3PWM, Timers, and Motor ControlTimer PWM generation, servo control, DC motor H-bridge, input capture
4I2C: Sensors and DisplaysI2C protocol, BME280, SSD1306 OLED, EEPROM, bus scanning
5SPI: Storage and DisplaysSPI protocol, ST7735 TFT, SD card with FatFS, chip select management
6UART: GPS, Bluetooth, RS-485NMEA parsing, HC-05 Bluetooth, RS-485 differential, DMA UART
7RFID, NFC, and IdentificationRC522 SPI driver, MIFARE read/write, access control state machine
8Stepper Motors and EncodersA4988 driver, acceleration profiles, encoder mode, closed-loop homing
9DMA, Interrupts, and CAN BusDMA architecture, NVIC priorities, bxCAN, two-node CAN network
10Capstone: Multi-Sensor Data LoggerBus sharing, timing architecture, state machine UI, system integration

Where to Go Next



IoT Systems

The IoT Systems course takes these sensor nodes online. Connect your STM32 or ESP32 to MQTT brokers, build cloud dashboards, and implement over-the-air firmware updates. The data logger you built here becomes the edge device in a full IoT architecture.

Edge AI / TinyML

The Edge AI and TinyML course adds machine learning inference directly on microcontrollers. Run anomaly detection on sensor data, classify audio with neural networks, and deploy TensorFlow Lite models on Cortex-M devices. The sensor interfacing skills from this course provide the data acquisition foundation that every TinyML application needs.

Comments

Loading comments...


© 2021-2026 SiliconWit®. All rights reserved.